Магазин запчастей для бытовой техники - Arlos
Москва
close
Выберите ваш регион
АбаканАлександровАльметьевскАнгарскАрзамасАрмавирАртемАрхангельскАстраханьАчинскБалаковоБалашихаБеларусьБелгородБердскБерезникиБийскБлаговещенскБратскБрянскВеликий НовгородВидноеВладивостокВладикавказВладимирВолгоградВолгодонскВолжскийВологдаВолховВоркутаВоронежВоскресенскВыборгГатчинаГеленджикГрозныйДедовскДербентДзержинскДзержинскийДимитровградДмитровДолгопрудныйДомодедовоДонецкЕвпаторияЕгорьевскЕкатеринбургЕлецЕссентукиЖелезногорскЖелезнодорожныйЖуковскийЗеленоградЗлатоустИвановоИвантеевкаИжевскИркутскИстраЙошкар-ОлаКазаньКалининградКалугаКаменск-УральскийКамышинКаспийскКемеровоКерчьКировКисловодскКлинКовровКоломнаКомсомольск-на-АмуреКопейскКоролёвКостромаКотельникиКрасногорскКраснодарКраснознаменскКрасноярскКурганКурскКызылЛенинск-КузнецкийЛипецкЛобняЛыткариноЛюберцыМагнитогорскМайкопМалаховкаМахачкалаМиассМоскваМурманскМуромМытищиНабережные ЧелныНазраньНальчикНаро-ФоминскНахабиноНаходкаНевинномысскНефтекамскНефтеюганскНижневартовскНижнекамскНижний НовгородНижний ТагилНовокузнецкНовокуйбышевскНовомосковскНовороссийскНовосибирскНовоуральскНовочебоксарскНовочеркасскНовошахтинскНовый УренгойНогинскНорильскНоябрьскОбнинскОдинцовоОктябрьскийОмскОрелОренбургОрехово-ЗуевоОрскПавловский ПосадПензаПервоуральскПермьПетрозаводскПетропавловск-КамчатскийПодольскПрокопьевскПсковПушкиноПятигорскРаменскоеРеутовРостов-на-ДонуРубцовскРыбинскРязаньСакиСалаватСамараСанкт-ПетербургСаранскСаратовСевастопольСеверодвинскСеверскСергиев ПосадСерпуховСимферопольСмоленскСосновый БорСочиСтавропольСтарый ОсколСтерлитамакСтупиноСургутСызраньСыктывкарТаганрогТамбовТверьТихвинТольяттиТомилиноТомскТроицкТулаТюменьУлан-УдэУльяновскУссурийскУсть-ИлимскУфаУхтаФеодосияФрязиноХабаровскХанты-МансийскХасавюртХимкиЧебоксарыЧелябинскЧереповецЧеркесскЧеховЧитаШахтыЩелковоЭлектростальЭлистаЭнгельсЮжно-СахалинскЯкутскЯлтаЯрославль
  • - бесплатно по РФ
    Автоперезвон. Работает по принципу: Вы позвонили на номер, мы сбрасываем звонок и перезваниваем через 3 секунды.
  • - по Москве
  • 8 (925) 663-83-63

Call-центр

пн-вс: 10:00-19:00

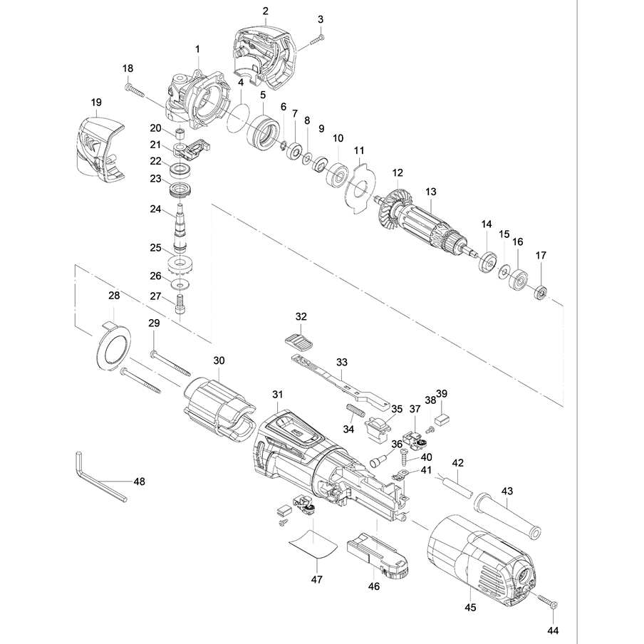
Реноватор сетевой МФИ-П550 КН

Данная модель имеет несколько схем

NАртикулНазваниеСрок отгрузкиЦенаКупить
1 N000-037-642 Корпус редуктора 2.257 р.
1.03 U009-629-RS0 Подшипник шариковый 629-2Z (26х9х8) U009-629-RS0 294 р.
2_19 N000-037-643-C Крышка редуктора в сборе 264 р.
4 N000-037-644 Кольцо уплотнительное 14 р.
5 N000-037-645 Кожух подшипника 62 р.
6 N000-037-646 Кольцо стопорное
7 N000-031-985 Подшипник шариковый 607 RS (19x7x6) 286 р.
8 N000-037-647 Шайба
9 N000-037-648 Противовес
10 U009-627-RS0 Подшипник шариковый 627 (22х7х7) U009-627-RS0 для ЗШ-1500, ДУ-550 ЭР, ФПК-750 92 р.
11 N000-037-649 Фиксатор подшипника
12 N000-037-650 Крыльчатка
13 N000-037-651 Ротор D29.5x40 1.434 р.
14 N000-037-652 Шайба изолирующая 34 р.
15 N000-037-653 Шайба
17 N000-037-654 Кольцо магнитное 24 р.
20 N000-037-656 Подшипник игольчатый HK0509 (9x5x9) 143 р.
21 N000-037-657 Вилка 387 р.
22 U009-690-0RS Подшипник шариковый 6900-2RS (22x10x6) 218 р.
23 N000-037-658 Кольцо фиксирующее 43 р.
24 N000-037-659 Шпиндель 149 р.
25 N000-037-660 Фланец внутренний 158 р.
26 N000-037-661 Фланец наружный 43 р.
27 N000-037-662 Саморез M6x16
28 N000-037-663 Щиток воздушный 82 р.
30 N000-037-664 Статор D50x40 1.101 р.
31 N000-037-665 Корпус двигателя
32 N000-037-666 Кнопка выключателя 39 р.
33 N000-037-667 Тяга выключателя 34 р.
34 N000-037-668 Пружина D5x19
35 V000-003-497 Выключатель FU2-4/1F 4(4)A ~250V 5E4 131 р.
36 N000-037-669 Колодка клеммная
37 N000-037-670 Щеткодержатель (пара) 143 р.
39 N000-037-671 Щетка 6x9x12 (пара) 127 р.
41 N000-037-672 Фиксатор кабеля
42 V000-006-403 Шнур сетевой ZUBR H05RN-F Rubber 2x0.75mm2 L=5m
43 N000-037-673 Воротник шнура
45 N000-037-674 Крышка задняя
46 V000-004-543 Электронный блок KANGJIAN R3000 1.307 р.
Найдено товаров: 39
1
▲ Наверх
0
8 (925) 663-83-63

Call-центр

пн-вс: 10:00-19:00

НАЙТИ ПО МОДЕЛИ
Введите номер заказа
Введите номер своего заказа, что бы узнать его текущий статус.
Что бы получить доступ к расширенным функциям, пройдите не сложную регистрацию. Зарегистрироваться