Магазин запчастей для бытовой техники - Arlos
Москва
close
Выберите ваш регион
АбаканАлександровАльметьевскАнгарскАрзамасАрмавирАртемАрхангельскАстраханьАчинскБалаковоБалашихаБеларусьБелгородБердскБерезникиБийскБлаговещенскБратскБрянскВеликий НовгородВидноеВладивостокВладикавказВладимирВолгоградВолгодонскВолжскийВологдаВолховВоркутаВоронежВоскресенскВыборгГатчинаГеленджикГрозныйДедовскДербентДзержинскДзержинскийДимитровградДмитровДолгопрудныйДомодедовоДонецкЕвпаторияЕгорьевскЕкатеринбургЕлецЕссентукиЖелезногорскЖелезнодорожныйЖуковскийЗеленоградЗлатоустИвановоИвантеевкаИжевскИркутскИстраЙошкар-ОлаКазаньКалининградКалугаКаменск-УральскийКамышинКаспийскКемеровоКерчьКировКисловодскКлинКовровКоломнаКомсомольск-на-АмуреКопейскКоролёвКостромаКотельникиКрасногорскКраснодарКраснознаменскКрасноярскКурганКурскКызылЛенинск-КузнецкийЛипецкЛобняЛыткариноЛюберцыМагнитогорскМайкопМалаховкаМахачкалаМиассМоскваМурманскМуромМытищиНабережные ЧелныНазраньНальчикНаро-ФоминскНахабиноНаходкаНевинномысскНефтекамскНефтеюганскНижневартовскНижнекамскНижний НовгородНижний ТагилНовокузнецкНовокуйбышевскНовомосковскНовороссийскНовосибирскНовоуральскНовочебоксарскНовочеркасскНовошахтинскНовый УренгойНогинскНорильскНоябрьскОбнинскОдинцовоОктябрьскийОмскОрелОренбургОрехово-ЗуевоОрскПавловский ПосадПензаПервоуральскПермьПетрозаводскПетропавловск-КамчатскийПодольскПрокопьевскПсковПушкиноПятигорскРаменскоеРеутовРостов-на-ДонуРубцовскРыбинскРязаньСакиСалаватСамараСанкт-ПетербургСаранскСаратовСевастопольСеверодвинскСеверскСергиев ПосадСерпуховСимферопольСмоленскСосновый БорСочиСтавропольСтарый ОсколСтерлитамакСтупиноСургутСызраньСыктывкарТаганрогТамбовТверьТихвинТольяттиТомилиноТомскТроицкТулаТюменьУлан-УдэУльяновскУссурийскУсть-ИлимскУфаУхтаФеодосияФрязиноХабаровскХанты-МансийскХасавюртХимкиЧебоксарыЧелябинскЧереповецЧеркесскЧеховЧитаШахтыЩелковоЭлектростальЭлистаЭнгельсЮжно-СахалинскЯкутскЯлтаЯрославль
  • - бесплатно по РФ
    Автоперезвон. Работает по принципу: Вы позвонили на номер, мы сбрасываем звонок и перезваниваем через 3 секунды.
  • - по Москве
  • 8 (925) 663-83-63

Call-центр

пн-вс: 10:00-19:00

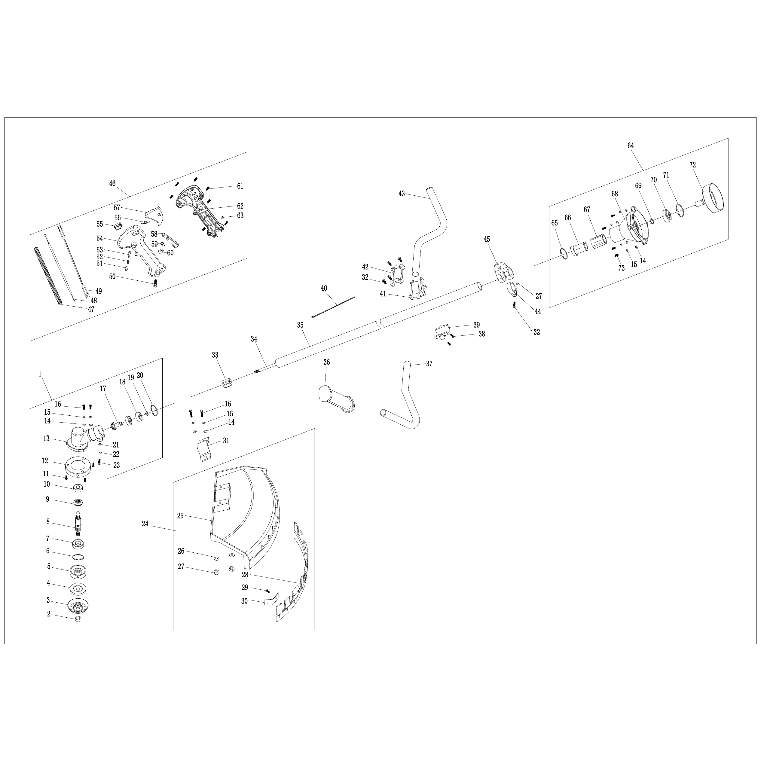
Триммер бензиновый КРБ-2500

Данная модель имеет несколько схем

NАртикулНазваниеСрок отгрузкиЦенаКупить
1.01 N000-031-100 Стартер в сборе для триммеров 721 р.
1.01 N000-031-100-2 Стартер в сборе для триммеров 458 р.
1.19 N000-021-591 Сальник D22хd12х7 225 р.
1.20 N000-031-101 Картер правая часть 965 р.
1.21 N000-031-102 Прокладка картера 114 р.
1.22 N000-006-326 Подшипник шариковый 6202 открытый (35х15х11) CCEB 341 р.
1.23 N000-031-103 Коленвал 805 р.
1.24 N000-032-048 Шпонка сегментная L13xS3xH5 16 р.
1.25 N000-031-143 Храповик V1 круглый метал 114 р.
1.25 N000-031-143-2 Храповик V2 114 р.
1.27 N000-031-121 Картер левая часть 965 р.
1.28 N000-032-046 Сальник D30хd15х7 61 р.
1.33 N000-031-123 Маховик 949 р.
1.41 N000-031-124 Крышка маховика 771 р.
1.43 N000-031-125 Подшипник игольчатый (12.6х10х15.7) 82 р.
1.43-1.49 N000-032-017 Цилиндро-поршневая группа (ЦПГ) в сборе D44 4.359 р.
1.44 N000-031-126 Кольцо стопорное 25 р.
1.45 N000-031-127 Палец поршневой D9х29 114 р.
1.46 N000-031-162 Поршень D44 228 р.
1.47 N000-031-163 Кольца поршневые D44 (пара) 105 р.
1.48 N000-031-164 Прокладка цилиндра D44 93 р.
1.49 N000-031-165 Цилиндр D44 1.084 р.
1.50 N000-031-132 Сцепление в сборе 255 р.
1.53 N000-031-393 Свеча зажигания L7TC для триммеров 183 р.
1.56 N000-031-166 Магнето 697 р.
1.57 N000-031-134 Прокладка глушителя 26 р.
1.58 N000-031-135 Глушитель в сборе 965 р.
1.61 N000-031-136 Прокладка теплоизолятора 114 р.
1.62 N000-031-137 Теплоизолятор 97 р.
1.65 N000-032-022 Карбюратор 1.210 р.
1.76 N000-031-138 Элемент фильтрующий для триммеров 63 р.
1.79 N000-031-139 Фильтр воздушный в сборе 191 р.
1.92 N000-031-140 Крышка топливного бака 122 р.
1.93 N000-031-141 Бак топливный в сборе 474 р.
1.94 N000-031-142 Топливопровод в сборе 118 р.
1.95 N000-032-038 Кронштейн топливного бака нижний 383 р.
2.01 N000-031-145 Редуктор в сборе 1.281 р.
2.02 N000-031-146 Гайка M10х1.25 (Левая резьба) 114 р.
2.24 N000-031-147 Кожух защитный в сборе 420 р.
2.33 N000-031-148 Втулка опорная 41 р.
2.34 N000-031-149 Вал приводной 390 р.
2.35 N000-031-150 Труба вала
2.36 N000-031-151 Насадка левой части рукоятки
2.37 N000-031-152 Рукоятка левая часть 626 р.
2.43 N000-031-154 Рукоятка правая часть 626 р.
2.44 N000-031-155 Фиксатор
2.45 N000-031-156 Кронштейн с проушиной для крепления ремня
2.46 N000-031-157 Рукоятка правая с курком газа 479 р.
2.64 N000-031-158 Колокол с муфтой сцепления в сборе. 780 р.
2.74 N000-031-153 Кронштейн рукоятки в сборе 114 р.
Найдено товаров: 50
1
▲ Наверх
0
8 (925) 663-83-63

Call-центр

пн-вс: 10:00-19:00

НАЙТИ ПО МОДЕЛИ
Введите номер заказа
Введите номер своего заказа, что бы узнать его текущий статус.
Что бы получить доступ к расширенным функциям, пройдите не сложную регистрацию. Зарегистрироваться